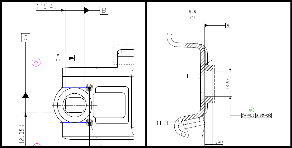
[Ma...] Posted March 19, 2025 Share Posted March 19, 2025 (edited) Hello. I have a case where I evaluate the diameter and the base is a groove that has a bonus parameter (MMC) in two directions. ⌀0.50|A|BM-CM|. Do you have a solution for such a case? Thanks for your help. Edited March 19, 2025 Link to comment Share on other sites More sharing options...
[Ma...] Posted March 19, 2025 Share Posted March 19, 2025 That's such bad design. Without MMB it's simple, but this should violate everything 😄 I was trying TP, but no luck with MMB Link to comment Share on other sites More sharing options...
[Cl...] Posted March 19, 2025 Share Posted March 19, 2025 (edited) Construct symmetry planes from those surfaces. They will allow the use of MMC. Edited March 19, 2025 Link to comment Share on other sites More sharing options...
Recommended Posts
Please sign in to comment
You will be able to leave a comment after signing in