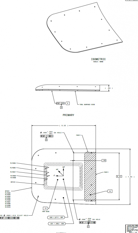
[Fr...] Posted May 21, 2025 Share Posted May 21, 2025 GOOD DAY ALL, IM USING CALYPSO 7.6, (2022) THE PART IM WORKING IT IS A CARBON FIBER ONE. DATUM "A" IS A CURVE SURFACE. DATUM "B" AND "C" ARE 2 PILOTS HOLE .098" DIA I CAN CREATE FOR SURE THE FREEFORM SURFACE ON THE CAD AS WELL AS MY DATUM B AND C WHEN I WANT TO ALIGN MY PART IN THE CMM THE SOFTWARE JUST DOESNT LET ME CHOOSE MY DATUM "A". SO NOW IM BLOCKED WITH THAT, CAN SOMEONE HELP ME.. :S I LEAVED THE DRAWING IN THE ATTACHEMENT.. NOTE: IN ANOTHER METROLOGY SOFTWARE I HAVE NO TROUBLE TO ALIGN THE PART.. *** IM A NEW USER WITH CALYPSO 🙂 1 Link to comment Share on other sites More sharing options...
[DW...] Posted May 22, 2025 Share Posted May 22, 2025 Please sign in to view this quote. Please sign in to view this username. It's not letting you choose A because it is a free form surface. Are you familiar with a Reference Point System (RPS) alignment? Might be what you need to do here. Link to comment Share on other sites More sharing options...
[Cl...] Posted May 22, 2025 Share Posted May 22, 2025 Someone may correct me, but I think the 3d Best-Fit method alignment would be appropriate here. There is a detailed on-line video on how to perform this. 1 Link to comment Share on other sites More sharing options...
[Ma...] Posted May 22, 2025 Share Posted May 22, 2025 I have no idea how that part looks like and what options are, but if you can place that part on table to be able to measure datum A, then i would perform simple alignment ( table as plane, 2d line to lock rotation and simple point to have origin and then perform RPS or detailed scan of that datum A to perform FF bestfit. Link to comment Share on other sites More sharing options...
[Ri...] Posted May 27, 2025 Share Posted May 27, 2025 Please sign in to view this quote. This is what I have used in the past when I was doing medical parts. I had a family of Cervical Plates; there was no single flat or straight surface on these. This link has some information, in particular how the alignment is created. Maybe this will be helpful. Link to comment Share on other sites More sharing options...
[De...] Posted May 28, 2025 Share Posted May 28, 2025 I would use 3d best fit alignment and loop it a few times. Its what I used on knee replacements. 1 Link to comment Share on other sites More sharing options...
Recommended Posts
Please sign in to comment
You will be able to leave a comment after signing in