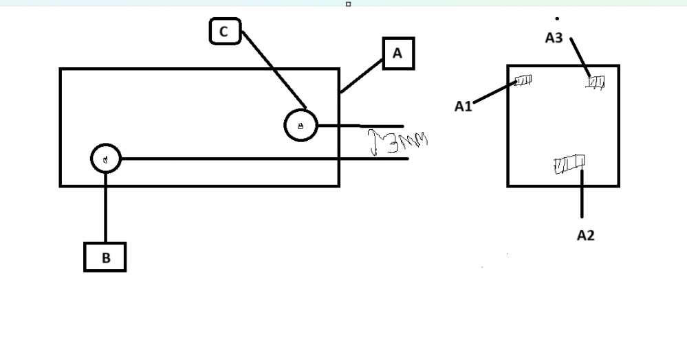
[Ma...] Posted July 31, 2025 Share Posted July 31, 2025 Hello everybody, Im having dificulties in defining an alignment. Basically, i have Datum C and Datum B, which are holes and then a Plane Datum A. I have to create an alignment using these two holes, 3 points on the plane. I used RPS, point recall for the holes and blocked with 6 points but the results were very different after comparing with linear height column or other devices. Then I created second alignment with plane on Datum A, projection of C theoretically 3 mm below and created a straight 3d line to block. This gave me better results. Can you help me what is the best way? I have tried a lots of things and its not resulting. I can not share the drawings directly, so i created a something similar in paint 😊 Thanks in advance. Link to comment Share on other sites More sharing options...
[Ma...] Posted July 31, 2025 Share Posted July 31, 2025 This can be used as regular alignment. Primary: One plane A ( A1, A2, A3 ) Secondary: I would use C as a point ( circle or intersection of cylinder with near plane ) Origin would be from A and B. Now there is a button "Special" where you can put those 3mm to obtain this. Those 3mm should be as basic dimension ( in a rectangle ) 1 Link to comment Share on other sites More sharing options...
Recommended Posts
Please sign in to comment
You will be able to leave a comment after signing in