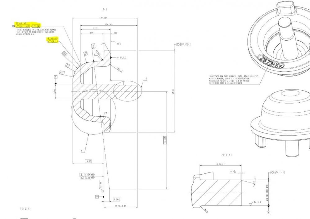
[HE...] Posted August 13, 2025 Share Posted August 13, 2025 Hello everyone I need your help to correctly evaluate some surface profile characteristics that I marked in yellow in the following image. Link to comment Share on other sites More sharing options...
[Ma...] Posted August 14, 2025 Share Posted August 14, 2025 UF should mean united feature - should mean one whole curve / freeform. For surface profile you measure from A to B everything on left side of a part on that drawing. For line profile - same thing but just one curve as crosssection A-A shows. That symmetry is not evaluated - it's describing origin and datums - i don't know exactly how to handle this right now. I would need to look into a book. Link to comment Share on other sites More sharing options...
[Ma...] Posted August 14, 2025 Share Posted August 14, 2025 So my magic book tells me, that line profile should be instersection along symmetry of datum A - so just like it's drawn now 1 Link to comment Share on other sites More sharing options...
[HE...] Posted August 14, 2025 Author Share Posted August 14, 2025 THANK YOU VERY MUCH FOR THE SUPPORT, I HAD SOME DOUBTS REGARDING WHETHER I WAS CARRYING OUT A CORRECT EVALUATION OF THE PIECE, BUT WITH YOUR INFORMATION IT IS NOW CLEARER TO ME 1 Link to comment Share on other sites More sharing options...
Recommended Posts
Please sign in to comment
You will be able to leave a comment after signing in