[Ra...] Posted September 1, 2025 Share Posted September 1, 2025 Hello, See basic crude sketch. No so much a Calypso question but a correct alignment strategy. If you had a part dimensioned like this (with some depth), would you, based on how the holes are dimensioned from center of part, Level on A and then create two SYMMETRY planes from B & C to create a center zero or Level on A, measure B and C and offset B (10) and C(25) in your base alignment to create your center. Thanks! Link to comment Share on other sites More sharing options...
[Ha...] Posted September 1, 2025 Share Posted September 1, 2025 (edited) choose the first option Your datums are "plane A", "symmetry-plane B" and "symmetry-plane C" Edited September 1, 2025 If the "ISO-GPS-System" was called Link to comment Share on other sites More sharing options...
[He...] Posted September 1, 2025 Share Posted September 1, 2025 If the reference symbol for B and C isn't on the measurement but on the side next to it, it only applies to that side. I would choose the second option. Link to comment Share on other sites More sharing options...
[Ma...] Posted September 1, 2025 Share Posted September 1, 2025 (edited) If it's like this, then it would be better to contact customer/drawing engineer to consult what was meant. It's wrong completely. If was meant symmetry, then datums are placed wrong. If was meant as features/planes, then it's missing dimensions from those datums. Edited September 1, 2025 Link to comment Share on other sites More sharing options...
[Ra...] Posted September 1, 2025 Author Share Posted September 1, 2025 I've updated the sketch to match closer what I'm seeing if it changes anything regarding alignment. Thanks Link to comment Share on other sites More sharing options...
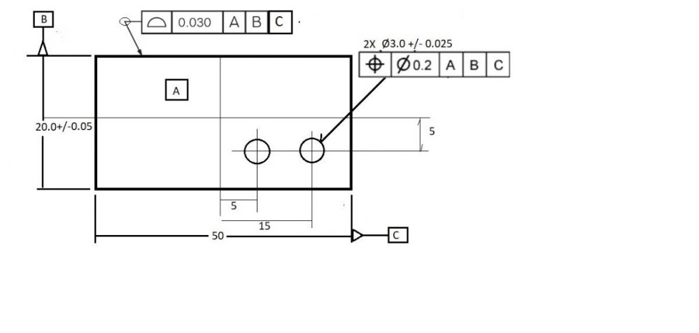
[Ra...] Posted September 1, 2025 Author Share Posted September 1, 2025 Please sign in to view this quote. I fixed the sketch to show what I'm seeing if it makes a difference. Thanks! Link to comment Share on other sites More sharing options...
[Ma...] Posted September 1, 2025 Share Posted September 1, 2025 This corrected drawing applies symmetry for datums B and C. You have there surface profile allaround from center +/- 0.015 1 1 Link to comment Share on other sites More sharing options...
[Jo...] Posted September 2, 2025 Share Posted September 2, 2025 True positions require measuring from the datums, with the nominal as the distance from the datums. (which are center planes in your latest revision. The position of the leader arrow relative to the line determines if its a center plane) Id also like to point out that you can align based on any features you would like, as long as your true positions calculate from the correct datums. Calypso will work all this out for you if you use the GDT feature. Link to comment Share on other sites More sharing options...
Recommended Posts
Please sign in to comment
You will be able to leave a comment after signing in