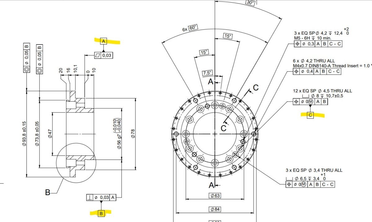
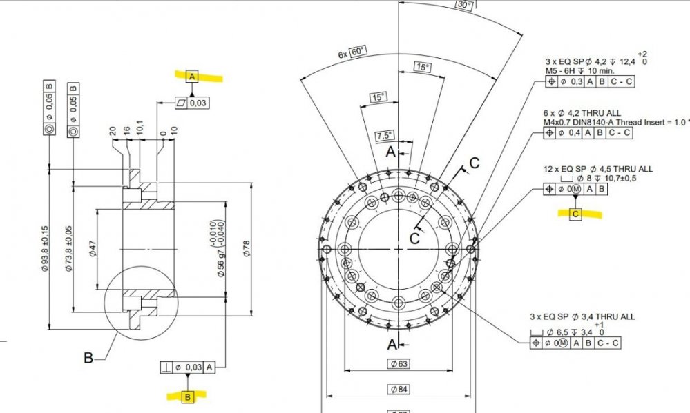
[Ja...] Posted 9 hours ago Share Posted 9 hours ago Am I missing something in Calypso? I need to use pattern for rotation only but how? Link to comment Share on other sites More sharing options...
[Ri...] Posted 7 hours ago Share Posted 7 hours ago If you are using the new GD&T engine Datum C would be a Common Datum, you will see the button inside of the feature selection. If you are creating this via the legacy GD&T engine you will need to create a Bore Pattern Best Fit - when Calypso creates a BPBF it will create a new alignment for you that you can use for other characteristics. Link to comment Share on other sites More sharing options...
[Ja...] Posted 7 hours ago Share Posted 7 hours ago Richard, I'm using the latest version of Calypso and I don't see that option. Am I looking in the wrong place? Link to comment Share on other sites More sharing options...
[Ri...] Posted 7 hours ago Share Posted 7 hours ago Please sign in to view this quote. Jack, What do you select when you go to select one of the Datums with the new Engine? Link to comment Share on other sites More sharing options...
[Ja...] Posted 7 hours ago Share Posted 7 hours ago Got it. Was looking in the wrong place. Thanks. Link to comment Share on other sites More sharing options...
Recommended Posts
Please sign in to comment
You will be able to leave a comment after signing in