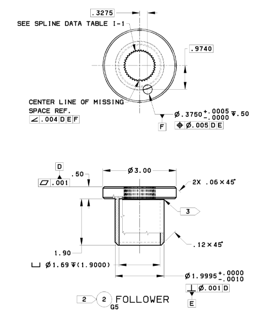
[Do...] Posted 8 hours ago Share Posted 8 hours ago Hi everyone. I wanted to get some insight into how to properly measure the angularity for the missing tooth below. Based on my method, the value in simulation is not reading zero and I am not sure where I got it wrong. I did a test run on the machine last night and was getting similar actual values, nowhere near within tolerance. How I created the program. 1. Establish datums 2. Use self centered points on either side of the missing tooth. 3. Create symmetry point from them to find center. Project symmetry point to Datum D. 4. Create intersection between Datums D and E. Project point to D plane. 5. Create 3d line between symmetry point and projected center point. 6. Repeat process for Datum F 3d line. 7. Calculate the angle as 18.58482º and create angularity characteristic for the 3d line of the tooth, referencing the 3d line of FE as primary and D as secondary. When using D as primary, I get a different theoretical value that still is not zero. I was curious about using the GDT engine for this, but do not have any experience using those new characteristics. Currently using Calypso 2023. Any help is appreciated, TIA. Link to comment Share on other sites More sharing options...
[Ri...] Posted 7 hours ago Share Posted 7 hours ago This is a misapplication of Angularity. I would just use Position, but you should speak with the Customer about this. Link to comment Share on other sites More sharing options...
[Ke...] Posted 7 hours ago Share Posted 7 hours ago for reference: https://www.gdandtbasics.com/angularity/ Link to comment Share on other sites More sharing options...
[Do...] Posted 5 hours ago Author Share Posted 5 hours ago Thanks for the responses. I too thought it was a strange requirement. Fortunately this is used internally so that'll be a few less hoops I need to jump through. Link to comment Share on other sites More sharing options...
Recommended Posts
Please sign in to comment
You will be able to leave a comment after signing in