All Activity
- Today
-
[Ab...] joined the community -
[To...] started following Problems with creating an intersection between a curve and a plane
-
[Je...] joined the community -
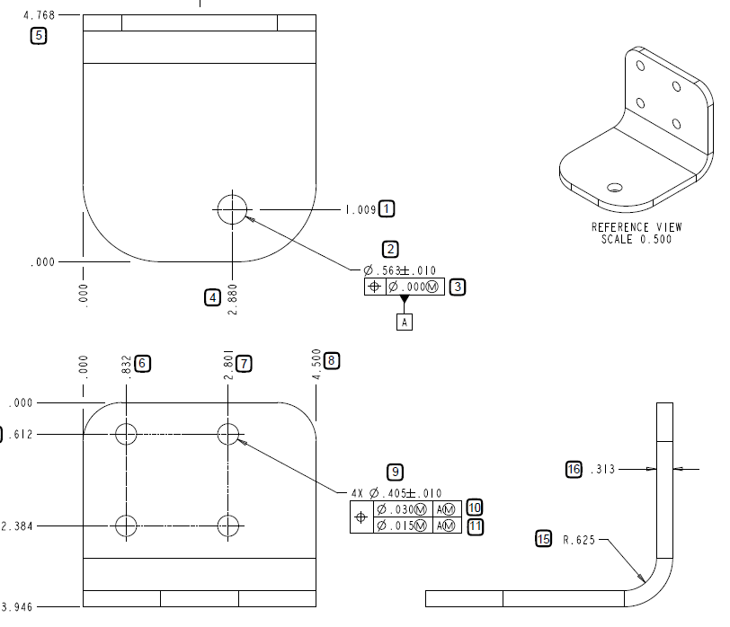
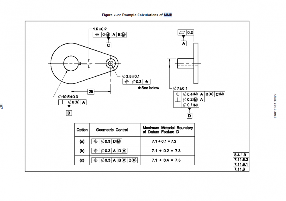
I must admit - this is a confusing one. I think this is wrong. TP of datum A is not giving me much sense. Then TP of 4xø.405 is not giving me much sense in a way how both rows are same, just with different tolerance. Also datum A is small to have it as proper cylinder and control their location. For TP of 4xø.405 - .030 tolerance would be pattern and .015 would be individual ones, but i have no experience in composite TP. I would be glad if main datum would be plane (3.946) and then circle as datum B ( previously datum A )
- 1 reply
-
- 1
-
-
[Co...] joined the community -
I am SOO glad you posted this!! About 2 years ago, during calibration the tech broke the lock on our RDS head and told me that because of that, this error would pop up and it was just to flag me to verify that the lights were green on the RDS, and if they were, to go ahead and hit OK. So that is what I did, and there were no issues. We ended up getting the RDS replaced several months later and I thought the message would go away but it did not. I have since asked a couple of people from Zeiss about it and neither of them couple figure out where the error message was coming from or how to turn it off. I tried your solution and I found that I also had linescan selected even though we don't have one. Now the error is gone, and it seems it had absolutely nothing to do with what I was originally told it was for! So thank you!
-
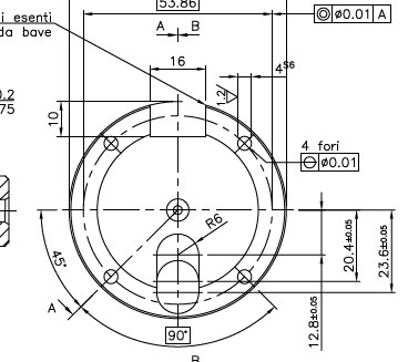
I have several questions about the position callouts in the attached print. I have no idea how to tell the CMM what I need here. 1) The position callout on the .563 hole (item 3) does not have a datum. I assume it must be referring to the 1.009 and 2.880 locations from the sides, correct? So I should use those two edges as my datums when I set it up? 2) The composite tolerance on the bottom (items 10 and 11) only lists datum A, which is the hole from question 1. I don't have the CAD model, but I assume if I get it, it will pull in the correct nominals. Wouldn't it need to consider all 3 directions (X, Y, and Z)? I have never done position with more than 2 directions. Is that even possible? Would I have to do the holes as cylinders? Or would I scan the holes and project them to the faces? If projecting to the faces, would I use the inner or outer faces since the material thickness could vary? For the top line, I believe I would have a separate position characteristic for each hole within .030(M), as that is how I would do a regular position. For the bottom line, my understanding is that would control the position of each of the 4 holes to each other. I am confused because I thought the bottom line was supposed to have less datums, but both lines only have datum A. If the bottom line is controlling the holes to each other, what does datum A have to do with it? How do I make the characteristic(s) for the bottom line? Is there a singular characteristic that takes care of the whole pattern or would that need to be separate for each hole as well?
-
[Yo...] joined the community -
[RA...] joined the community -
[Mo...] joined the community - Yesterday
-
Profile of a plane to one datum that is a plane parallel to the profile feature?
[Ma...] replied to [Ga...] 's topic in General
@Jason Barry Everyone can make a mistake - so was I when not considering base dimension from A as you did - thanks. And in your answer you are right - it would be 0.100 if any of a measured and filtered point would be 0.05 away from base dimension. @RPSmetrologyTech i think if that dimension is not as base then different distance from A should not make any difference in profile result. At least i hope 🙂 -
Having the same issue...any update on how to fix this?
-
Excel Report Not Generating Using Characteristic Template
[DW...] replied to [Kr...] 's topic in ZEISS PiWeb
@Krish Madhu Did you select the Characteristics.xlt when setting up your Excel output? If you want to compile many Calypso XLS files into one easy to copy and paste XLSX block, use the following PowerShell script to do that instead of trying to do anything with the Zeiss macro enabled template. It is important to note the naming convention of your files (with incremental part number) needs to be something like _001, _002, _003...._010, _011, _012 etc so when the script sorts by ascending, you don't get file names sorted like _1, _10, _2, _3, etc. This is a PowerShell script that once you give it the path to your folder containing the XLS files, it manipulates them with the final result being a file called "compiledExcel.xlsx" located in the same folder. Copy and paste the block of data into whatever official report you have, and that's it. Massive amounts of data compiled quickly and accurately. This script can be further refined, but the heavy lifting is here. <# .SYNOPSIS Converts .xls to .xlsx, trims specified ranges, and compiles data into a master Excel file. #> param( [Parameter(Mandatory = $false)] [string]$Directory = "C:\PATH TO YOUR FILES" ) # --- Helper: Logging function --- function Write-Log { param([string]$Message, [string]$Level = "INFO") $timestamp = (Get-Date).ToString("yyyy-MM-dd HH:mm:ss") Write-Host "[$timestamp][$Level] $Message" } # --- Verify directory --- if (-not (Test-Path $Directory)) { Write-Error "Directory not found: $Directory" exit 1 } Write-Log "Processing files in directory: $Directory" # --- Start Excel safely --- try { $excel = New-Object -ComObject Excel.Application $excel.Visible = $false $excel.DisplayAlerts = $false $excel.AutomationSecurity = 3 # Disable macros Write-Log "Excel instance started successfully." } catch { Write-Error "Failed to start Excel COM object. Ensure Excel is installed. $_" exit 1 } # --- Function: Safely close and release COM object --- function Release-ComObject { param($obj) if ($null -ne $obj) { [void][System.Runtime.InteropServices.Marshal]::ReleaseComObject($obj) Remove-Variable obj -ErrorAction SilentlyContinue } } # --- Convert .xls to .xlsx --- Write-Log "Converting .xls files to .xlsx..." Get-ChildItem -Path $Directory -Filter "*.xls" -ErrorAction SilentlyContinue | ForEach-Object { $xlsFile = $_.FullName $newFileName = [System.IO.Path]::ChangeExtension($xlsFile, ".xlsx") try { Write-Log "Converting $xlsFile..." $workbook = $excel.Workbooks.Open($xlsFile) $workbook.SaveAs($newFileName, [Microsoft.Office.Interop.Excel.XlFileFormat]::xlOpenXMLWorkbook) $workbook.Close($false) Write-Log "Converted: $xlsFile ? $newFileName" # Uncomment next line to delete original # Remove-Item $xlsFile -Force } catch { Write-Warning "Failed to convert $xlsFile $($_)" } finally { if ($null -ne $workbook) { Release-ComObject -obj $workbook } } } # --- Process .xlsx files (remove A1:H13) --- Write-Log "Trimming range A1:H13 from all .xlsx files..." Get-ChildItem -Path $Directory -Filter "*.xlsx" -ErrorAction SilentlyContinue | ForEach-Object { $xlsxFile = $_.FullName try { Write-Log "Processing $xlsxFile..." $workbook = $excel.Workbooks.Open($xlsxFile) $worksheet = $workbook.Sheets.Item(1) $worksheet.Range("A1:H13").Delete() $workbook.Save() Write-Log "Trimmed file: $xlsxFile" } catch { Write-Warning "Error processing file $xlsxFile $_" } finally { if ($null -ne $workbook) { $workbook.Close($false) Release-ComObject -obj $workbook } } } # --- Compile into one Excel file --- Write-Log "Compiling data into master file..." $destinationExcelFilePath = Join-Path $Directory "compiledExcel.xlsx" if (Test-Path $destinationExcelFilePath) { Remove-Item $destinationExcelFilePath -Force -ErrorAction SilentlyContinue Write-Log "Removed existing compiledExcel.xlsx" } try { $destinationWorkbook = $excel.Workbooks.Add() $destinationWorksheet = $destinationWorkbook.Sheets.Item(1) $columnIndex = 1 Get-ChildItem -Path $Directory -Filter "*.xlsx" | Sort-Object Name | ForEach-Object { $sourcePath = $_.FullName try { Write-Log "Copying data from $sourcePath" $sourceWorkbook = $excel.Workbooks.Open($sourcePath) $sourceWorksheet = $sourceWorkbook.Sheets.Item(1) $sourceValues = $sourceWorksheet.Range("B1:B1000").Value2 if ($sourceValues) { $destinationWorksheet.Cells.Item(1, $columnIndex).Resize(1000, 1).Value2 = $sourceValues Write-Log "Copied column $columnIndex from $sourcePath" $columnIndex++ } else { Write-Warning "No data found in B1:B1000 for $sourcePath" } } catch { Write-Warning "Error reading from $sourcePath $_" } finally { if ($null -ne $sourceWorkbook) { $sourceWorkbook.Close($false) Release-ComObject -obj $sourceWorkbook } } } $destinationWorkbook.SaveAs($destinationExcelFilePath) Write-Log "Compiled workbook saved to $destinationExcelFilePath" } catch { Write-Error "Error compiling Excel files: $_" } finally { if ($null -ne $destinationWorkbook) { $destinationWorkbook.Close($true) Release-ComObject -obj $destinationWorkbook } } # --- Cleanup Excel --- Write-Log "Cleaning up Excel COM objects..." try { $excel.Quit() Release-ComObject -obj $excel [System.GC]::Collect() [System.GC]::WaitForPendingFinalizers() Write-Log "Excel closed and resources released." } catch { Write-Warning "Error during Excel cleanup: $_" } Write-Log "Script completed successfully." -
[Iv...] started following Calypso 2019 vs Calypso 2014
-
[To...] changed their profile photo -
Profile of a plane to one datum that is a plane parallel to the profile feature?
[RP...] replied to [Ga...] 's topic in General
Would this be relatable? The profile measurement changes based on the width of the .075, which is not a basic dimension. I'm assuming the best fit compensates the width in the plane's vector? -
[Kh...] joined the community -
[Am...] joined the community -
[ke...] joined the community - Last week
-
All I can say is "because we're forced to use PiWeb." Good luck.
-
Think of the graphic as a cross-section of the hole along its axis. The green arrow dictates which direction the probe will move along the axis of the feature during initial centering moves. If you're starting very near the top of the hole, you want the initial force (this green arrow) to push toward the bottom. If you have this backward (again, only if you're very near the extreme ends), the probe could fall out of the hole while seeking center. Likewise if you're close to the bottom and want to be sure you don't hit the bottom of the hole, swap the arrow. I think, though am not certain, that the green arrow pointing away from the hole bottom indicates initial centering movement along the normal vector. If, like many of us, you keep your scans away from the edges of the hole, you won't notice a difference.
-
We have drawers full of various configurations of thread locators. I mean hundreds. I've stopped using them. They cost time at the machine. I have no trouble with direct scanning. The plugs are doing a nice job of keeping those drawers from floating away though.
-
Depending on your Calypso version, but basic PiWeb is free - or in other words included in your Calypso installation. You can choose PiWeb template with only plot so you can have CAD view or graphical evaluation of some characteristics.
-
hello all, can anybody tell if i want a graphical result without piweb licence, in genral PDF format.
-
[Yo...] joined the community -
Do you have a model and curve option? Your calout is for surface profile, but i have difficulties with imagining your part and what is needed to be measured. I would say - better this would be evaluated on optical machine with small measured volume - like MV50 or MV100 on ATOS.
-
I have an irregular shaped boss that protrudes .020 inch from the surrounding surface. It has a .030 radius around it, meaning it has no vertical edges. Assuming A is the surrounding flat surface, and B and C are some arbitrary features that make for a good contrained datum reference, how does one begin to profile such a shape? I dont think scanning around the outer perimeter will work since I have no true edge to work with and it would be forcing the probe at a weird angle. And also I dont trust the machinist to not also put an edgebreak on the feature which further limits the scanning area. My initial thoughts were that I could measure the .030 radii in many places then make intersection points with the top surface. However, I came across a snag that curves cannot recall intersection points to profile them. Edit: The "poor man's solution" I found is that I can make a theoretical point which recalls the actual XYZ from each intersection with formula then uses formula to overwrite the nominal value to the real nominals. Then repeat that 67 times to which is how many intersections I have total, assign a profile to each of them, then take a maximum result of the profiled points for one simple result. Is there is a better way?
-
[Kr...] started following [Ri...]
-
[Kr...] started following [Ri...]
-
[Ün...] started following AutoRun , Off-Topic and Curve & freeform
-
I would be more happier with mouse wheel like it's in Inspect.
-
Select your callout ( i usually select it with mouse exactly that line in flag ) - press TAB key to open side - go to Display section and you will find it there. I also unchecking "fill" on element to see it clearly.
-
[Pr...] started following [Na...]
-
I have bad news for you. This will not happen - as it would be problematic how to set default value for 1 click - you would say 1 deg but then 1 deg on big diameters would be not enough while on small 0.5 deg might be way to much. And to do relation between size of circle/step/number of points/speed would be way to complicated for implementation into software. I see your point - It could be helpful but..... Nope that wont happen.
-
Officially - there is no option to open Inspection plan from higher version Calypso in lower version. So going from 2019 to 2014 is not officially possible. Calypso is not backwards compatible. Unofficially - there is option but downgrading inspection plan by more 1 maybe 2 versions is very risky and not always works - as in inspection plan you can use newer functions that are not available in older software. As Jörg Apfelbach said - this method not always work - and backup is recommended.
-
Profile of a plane to one datum that is a plane parallel to the profile feature?
[Lu...] replied to [Ga...] 's topic in General
Can you post a sketch of a tolerance? And features? It can be hand drawn, no real data necessary -
Profile of a plane to one datum that is a plane parallel to the profile feature?
[Ja...] replied to [Ga...] 's topic in General
I have a feeling I am making a big mistake by disagreeing with Martin. I am sure he will correct me, but if there is a basic dimension between datum A plane and the feature plane then profile will be different than parallelism. If the basic dimension is 5.000" and the distance between the two is 5.050", then your profile is going to be over 0.100" -
This is kind of a long shot, but here goes - I have a GOM Metrotom 6 Scout (225kv). Currently running Zeiss X-ray Professional 2023 (with license). Everything was going smoothly, until recently. I installed a software to use for an industrial camera inside the machine, and was not successful in getting it operable, so I uninstalled the software. Now, our Gigabit CT adapter (for the GOM) and the Ethernet server adapter I350-T2 show "Unknown network, not connected." I can still turn on the x-ray source with the X-COM utility, but cannot initialize the source from within the X-ray Pro software (Error CT-0007 presumably because the software can't see the network cards). No amount of resetting the network cards from either the "Configure System" after "System Analysis" within the X-ray Pro software or even externally from Windows is yielding any result. I believe something with PVI Manager got messed up, as the X-COM utility did throw an error relating to the PVI software, but still functions. Can someone at Zeiss, or elsewhere, explain all of the supporting software for these machines (B&R Automation + licensing, PVI Manager + licensing, etc). There just isn't a lot of documentation on how it all works together, which makes troubleshooting this a nightmare. Thanks for any help. @Stepan Rumyantsev and @Jeff Penrod.2 for visibility at Zeiss if you can point me in the right direction.
- Earlier
-
Thanks I watched that video. How do you enable the color deviation? We are trying to get a flatness measurement but it shows up as .002 in the deviation when creating the fit plane then .012 when we create a GD&T check.
-
I'll consider this fixed. We happened to have a zeiss tech here something else whom was able to provide us with a solution. For anyone that might come across the same issue: The wbScanLink-Error was cause by somehow an additional sensor being checked in the sensor list. Linescan as well as the Renishaw TPx were checked despite us not having them: The other issue with the laser scanner was that somehow Calypso was connected to one machine, the ConturaG2_RDS, but there was a second machine profile that despite not being connected to, had the OSIS laserscanner set up and somehow it was drawing from that. We deleted that second machine and it went back to normal.
-
It's depends how precise your element strategy is are and what are your RPS and how are they distributed Plane / Line / Point is a general idea of setting up the alignment and it's correct as long as it matches the drawing If your results aren't repeatable enough, you might want to try iterative alignment
-
I would like to see a End time for each Stylus as its qualified in the standard Report (See image). I s this report capable of being modified?
