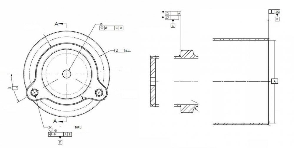
[To...] Posted January 28, 2025 Share Posted January 28, 2025 I used a Best Fit Bore Pattern Position of the 2 holes to A and B, allowing rotation, but how do you build a position of the center hole to Datum C and the Best Fit Bore Pattern? Link to comment Share on other sites More sharing options...
[Ma...] Posted January 28, 2025 Share Posted January 28, 2025 I would try this: make theoretical point at nominal origin ( as X=0 Y=0 ) set feature alignment of the point as BF pattern make same way 3d line ( will be used only secondary ) make new alignment put plane C as primary put previously created 3d line as secondary put previously created point as X,Y put plane C as Z Now use that alignment Link to comment Share on other sites More sharing options...
[Ch...] Posted January 29, 2025 Share Posted January 29, 2025 I do similar when needed to reference a best fit pattern as a datum feature. If it is for a rotation for example, I make a theoretical 3d Line and link it's alignment to the Best Fit. Link to comment Share on other sites More sharing options...
[Ky...] Posted January 30, 2025 Share Posted January 30, 2025 Hey Chris, It might be worth trying to use the "parallel cylinder" option under features. I haven't used it a hole lot, but I think this is the intended use case. Alternatively, you can try the new GD&T engine if you are using 2023 or newer and set these as a common datum. If the callout was like A|B|D, I would say just use the alignment from the bore pattern true position, but since it's a completely different alignment, these would probably be best. Link to comment Share on other sites More sharing options...
Recommended Posts
Please sign in to comment
You will be able to leave a comment after signing in